viamoto
Shopping cart  View Cart (0)
Your shopping cart is currently empty
  • Home
  • About Us
  • Go Shopping
      • Mitsubishi Airtrek/Outlander
      • Mitsubishi Colt
      • Mitsubishi FTO Parts
      • Mitsubishi GTO/3000GT Parts
      • Mitsubishi Lancer EVO Parts
      • Mitsubishi Lancer GSR 1.8 4WD Turbo Parts
      • Mitsubishi Legnum/Galant VR4 EC5A EC5W Parts
      • Apex Suspension
      • Bilstein Suspension Products
      • KYB - Kayaba Suspension
      • TEIN Suspension Products
      • Superflex - Suspension Bushes
      • Wiper Blades
      • Comma Oils & Fluids
      • Pay Your Bill
      • V-M Auto Sport Parts
      • BARGAIN BASEMENT
  • Information
    • Shipping FAQ's
    • Terms and Conditions
    • Contact Us
    • Privacy Policy
    • Returns Policy
    • Order Status
    • Site Map
  • Loading

    Login Details
    New Account
    (We will never divulge your email to a 3rd party)
    Not logged in
We're really sorry...

We don't currently have that one in stock

Please add your email and we'll notify you when it's back
Home
»
»
»
The following discounts apply to all these products.
Free Shipping to UK Mainland Excl Highlands & Islands (Orders over £200.00) (Excluding OEM Parts)
« Previous1234Next »
Engine Coolant Temperature Sender - GTO/3000GT Z16A up to 09/1992
Engine Coolant Temperature Sender - GTO/3000GT Z16A up to 09/1992

Engine Coolant Temperature Sender - GTO/3000GT Z16A up to 09/1992

Location Fitted Shown HERE

Mitesubishi Part Number
MD149338

 

Price£18.00
-
+
Exhaust Manifold Gasket - Mitsubishi GTO/3000GT
1 of 2
Exhaust Manifold Gasket - Mitsubishi GTO/3000GT

Exhaust Manifold Gasket - Mitsubishi GTO/3000GT

Multi Layer Steel Gasket
2 Required per Engine
PRICE IS FOR ONE

Mitsubishi Part Number
MD168115

Price£19.99
-
+
Long Banjo Bolt - Water Pipe to Turbo - 3000GT/GTO Twin Turbo
Long Banjo Bolt - Water Pipe to Turbo - 3000GT/GTO Twin Turbo

Long Banjo Bolt - Water Pipe to Turbo - 3000GT/GTO Twin Turbo

This part number is used in 1 location Shown HERE
The Other 3 Banjo Bolts are shorter in length and Part Number MS650013/MF650113

Mitsubishi Part Number
MD158989


 

Price£20.90
-
+
Alternator/Air Con Belt - Mitsubishi GTO/3000GT
Alternator/Air Con Belt - Mitsubishi GTO/3000GT

Alternator/Air Con Belt - Mitsubishi GTO/3000GT ALL Z15A and Z16A Both NA and TT

This is a 6 Rib Gates Brand Belt

Mitsubishi Part Numbers
MB813600 MB879764

Price£21.00
-
+
Radiator Fan Switch White 85 Degree - Mitsubishi GTO/3000GT Z16A up to 09/1992 ONLY
1 of 2
Radiator Fan Switch White 85 Degree - Mitsubishi GTO/3000GT Z16A up to 09/1992 ONLY

Radiator Fan Switch White 85 Degree - Mitsubishi GTO/3000GT Z16A up to 09/1992 ONLY

Fits into Bottom edge of radiator on Z16A Models up to 09/1992

Mitsubishi Part Number
MB660663 WHITE

Price£21.60
-
+
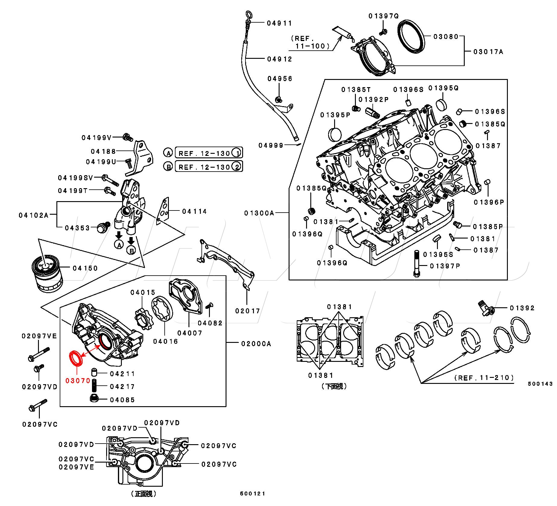
Crank Oil Seal - Cambelt Side - Mitsubishi GTO/3000GT
Crank Oil Seal - Cambelt Side - Mitsubishi GTO/3000GT

Crank Oil Seal - Cambelt Side - Mitsubishi GTO/3000GT ALL Models

Exploded Diagram showing location HERE

Mitsubishi Part Numbers
MD372249 was MD120700

Price£24.00
-
+
Oil Filler Cap - Mitsubishi GTO/3000GT
Oil Filler Cap - Mitsubishi GTO/3000GT

Oil Filler Cap - Mitsubishi GTO/3000GT

The one on the rocker cover.

Mitsubishi Part Number
1250A015 MD363392 MN143845
MD132260 MD317439

Price£25.34
-
+
Radiator Fan Switch Black 95 Degree - Mitsubishi GTO/3000GT Z16A up to 09/1992 ONLY
Radiator Fan Switch Black 95 Degree - Mitsubishi GTO/3000GT Z16A up to 09/1992 ONLY

Radiator Fan Switch Black 95 Degree - Mitsubishi GTO/3000GT Z16A up to 09/1992 ONLY

Fits into Bottom edge of radiator on Z16A Models up to 09/1992

This may be supplied White in Colour as an aftermarket copy but still 95 degree

Mitsubishi Part Number
MB660664 Black

Price£26.40
-
+
Crank Thrust Bearing/Washers - GTO/3000GT
Crank Thrust Bearing/Washers - GTO/3000GT

Crank Thrust Bearing/Washers - GTO/3000GT

Set of Crankshaft Thrust Bearings/Washers

Mitsubishi Part Number
1052A271 MD128659

Price£35.40
-
+
Thermostat - Mitsubishi GTO/3000GT
1 of 3
Thermostat - Mitsubishi GTO/3000GT

Thermostat - Mitsubishi GTO/3000GT

The Thermostat fits ALL GTO/3000GT Models
BUT Models up to 10/1990 may need a separate Paper Gasket
(From Z16A-0000005 to Vin No. Z16A-0000235 needs the gasket)
(Z16A-0000236 onwards uses the Rubber Seal around rim)

Choose From Dropdown Menu

Exploded Diagrams HERE

Mitsubishi Part Numbers
Up to 10/1990 = MD997679 + MD146834 Aftermarket Gasket
10/1990 onwards = MD174234 now 1305A603

 

Price£36.00
-
+
Ignition Sensor - Mitsubishi 3000GT/GTO
1 of 2
Ignition Sensor - Mitsubishi 3000GT/GTO

Ignition Sensor - Mitsubishi 3000GT/GTO

Aftermarket Ignition Sensor also called Transistor, Ignition Power
Mitsubishi want over £400 for one of these !

Mitsubishi Part Numbers
MD152999

Price£36.00
-
+
Fuel Filler Cap - Petrol Cap - Mitsubishi GTO/3000GT
1 of 2
Fuel Filler Cap - Petrol Cap - Mitsubishi GTO/3000GT

Fuel Filler Cap - Petrol Cap - Mitsubishi GTO/3000GT

Choose from Original Mitsubishi or Aftermarket Lockable

Mitsubishi Part Number
MB825327 MR342330 now use MN106160


 

Price£36.30
-
+
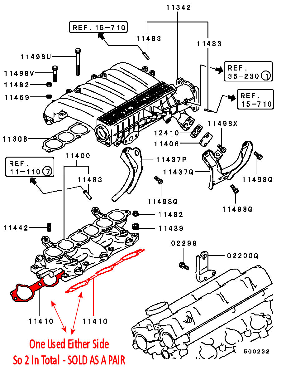
Gaskets x 2 - Lower Inlet Plenum to Heads - Mitsubishi GTO/3000GT
Gaskets x 2 - Lower Inlet Plenum to Heads - Mitsubishi GTO/3000GT

Gaskets x 2 - Lower Inlet Plenum to Heads - Mitsubishi GTO/3000GT

See exploded diagram HERE for Location 

Sold as a Set of 2 Gaskets

Mitsubishi Part Numbers
MD164701 was MD151707

Price£37.25
-
+
Valve Stem Seals x 24 - Mitsubishi GTO/3000GT
Valve Stem Seals x 24 - Mitsubishi GTO/3000GT

Valve Stem Seals x 24 - Mitsubishi GTO/3000GT

Full set of 24 Aftermarket Valve Stem Seals

Mitsubishi Part Numbers
MD306079 MD307343 

 

 

Price£37.93
-
+
Single Ignition Coil Pack - Mitsubishi GTO/3000GT
Single Ignition Coil Pack - Mitsubishi GTO/3000GT

Single Ignition Coil Pack - Mitsubishi GTO/3000GT

This aftermarket item can be used to change one or all of the 3 coils attached to the bracket rather than having to buy the whole unit at a ridiculous dealer price.
Price is for ONE Coil Pack (You need 3 per car)

Exploded Diagram HERE

Mitsubishi Part Number
MD192126 MD152648
MD184230 MD334558

 

Price£38.40
-
+
Crank Oil Seal - Gearbox Side - Mitsubishi GTO/3000GT
Crank Oil Seal - Gearbox Side - Mitsubishi GTO/3000GT

Crank Oil Seal - Gearbox Side - Mitsubishi GTO/3000GT

Location fitted shown HERE

Mitsubishi Part Number
1052B178 MD372251

Price£40.33
-
+
Alternator/AC Pulley - Mitsubishi GTO/3000GT
1 of 2
Alternator/AC Pulley - Mitsubishi GTO/3000GT

Alternator/AC Pulley - Mitsubishi GTO/3000GT

Choose from Koyo/JTekt or Genuine Mitsubishi
Koyo is now called JTekt

Belt Diagram showing Pulley Location in RED HERE

Mitsubishi Part Number
MD318474 MD161716

Price£42.00
-
+
Cambelt Special Tools Fitting Kit - Mitsubishi GTO/3000GT
Cambelt Special Tools Fitting Kit - Mitsubishi GTO/3000GT

Cambelt Special Tools Fitting Kit - Mitsubishi GTO/3000GT

Complete kit of special tools for changing the cambelt
(More than you need)

Made exclusively for Viamoto





 

Price£45.00
-
+
Crank Position Sensor - Mitsubishi GTO/3000GT 1992 onwards
1 of 4
Crank Position Sensor - Mitsubishi GTO/3000GT 1992 onwards

Crankshaft Position Sensor - Mitsubishi GTO/3000GT 1992 onwards
(2nd Generation 4 Bolt Main Bearing Engine ONLY)

Quality USA Aftermarket Part at a reasonable price.
Genuine Part is No Longer Made by Mitsubishi.

Exploded Diagram Showing Location Fitted HERE

Mitsubishi Part Number
MD187066

Price£57.00
-
+
NGK Iridium Spark Plugs X 6 - GTO/3000GT
NGK Iridium Spark Plugs X 6 - GTO/3000GT

NGK Iridium Spark Plugs IX - Set of 6 for your GTO/3000GT

The Spark Plug Serious Car Fans Rely On.

Designed specifically for the performance car fanatic.
NGK Iridium IX offers better spark, increased throttle response
and superior anti fouling characteristics which  gives smoother acceleration,
high fuel efficiency and durability.

See HERE for PDF regarding NGK Iridium Plugs.
NGK are market leaders and offer the Ultimate in design, technology and performance.

Price£60.62
-
+
Sender Unit - Oil Pressure Gauge - Mitsubishi GTO/3000GT
1 of 2
Sender Unit - Oil Pressure Gauge - Mitsubishi GTO/3000GT

Sender Unit for Oil Pressure Gauge - Mitsubishi GTO/3000GT

Sender Unit for the Oil Pressure Gauge
(NOT The Red warning Light One)

Mitsubishi Part Number
MD133273

Price£64.20
-
+
Standard NGK Spark Plugs- SET of 6 - PFR6J-11 - 2743 - Mitsubishi GTO/3000GT
Standard NGK Spark Plugs- SET of 6 - PFR6J-11 - 2743 - Mitsubishi GTO/3000GT

Standard Replacement NGK Spark Plugs for your GTO/3000GT

NGK Spark Plug - PFR6J-11 - 2743 - FULL SET OF 6 as used by Mitsubishi themselves

NGK has the technology to produce plugs for every type of automotive engine, as well as for motorcycles, marine, horticultural and many other applications.
In fact NGK produces and stocks well in excess of 1,000 different types of plug.
NGK always works very closely with the engine manufacturer to ensure a perfect match between plug and machine.

Read More about NGK Spark Plugs HERE

Fit the Best - Fit NGK.

NGK Stock Number = 2743
NGK Part Number = PFR6J-11

Price£72.00
-
+
Camshaft Position Sensor - Mitsubishi GTO/3000GT 1992 onwards
1 of 5
Camshaft Position Sensor - Mitsubishi GTO/3000GT 1992 onwards

Camshaft Position Sensor - Mitsubishi GTO/3000GT 1992 onwards 
(2nd Generation 4 Bolt Main Bearing Engine ONLY)

Quality USA Aftermarket Part at a reasonable price.
Genuine Part is No Longer Made by Mitsubishi.

Exploded Diagram Showing Location Fitted HERE

Mitsubishi Part Number
MD187067

Price£72.00
-
+
Rear Lambda/Oxygen Sensor - MD186992 - Mitsubishi 3000GT
1 of 2
Rear Lambda/Oxygen Sensor - MD186992 - Mitsubishi 3000GT

Rear Lambda/Oxygen Sensor - MD186992 - Mitsubishi 3000GT

No longer sold by Mitsubishi so we are supplying aftermarket item
You Will be supplied Either Denso or NTK(NGK) Depending on Stocks
Both are OEM Suppliers

Location Fitted Shown HERE

Mitsubishi Part Numbers
MD186992 MD164423
MD305145

Price£76.50
-
+
Cylinder Head Gasket Mitsubishi GTO/3000GT Z15A/Z16A Twin Turbo
1 of 4
Cylinder Head Gasket Mitsubishi GTO/3000GT Z15A/Z16A Twin Turbo

Cylinder Head Gasket Mitsubishi GTO/3000GT Z15A/Z16A Twin Turbo

Multi Layer Steel Head Gasket
2 Required per engine (Price is for ONE)

Choose from Dropdown Menu
Genuine Mitsubishi or Aftermarket Gasket - Same Price
Much Different Timescales to obtain
Genuine Gasket 3-4 Weeks - Aftermarket Gasket approx 4-5 days
Nothing wrong with either choice

Mitsubishi Part Number
MD199239

Price£78.00
-
+
Water Pump Kit - GTO/3000GT
Water Pump Kit - GTO/3000GT

Water Pump Kit - GTO/3000GT

Water Pump Kit incl Gaskets

Mitsubishi Part Number
MD997643 MD971983 MD972005

Price£78.00
-
+
Front Lambda/Oxygen Sensor - MD186991 - Mitsubishi 3000GT
1 of 2
Front Lambda/Oxygen Sensor - MD186991 - Mitsubishi 3000GT

Front Lambda/Oxygen Sensor - MD186991 - Mitsubishi 3000GT

No longer sold by Mitsubishi so we are supplying aftermarket item
You Will be supplied Either Denso or NTK(NGK) Depending on Stocks
Both are OEM Suppliers

Location Fitted Shown HERE

Mitsubishi Part Numbers
MD186991 MD305144 MD305147
MD306894 MD307258 MD319786
MD327610 MD329341 MD331050
MD332735 MD333994 MD333996
MD336448 MD336490 MD337891
MD338846 MD342688 MD343988
MD357286 MD369192 MN158917
MN158921 MR514342 MR578114
MR988905

Price£79.20
-
+
Fuel Pump - GTO/3000GT Non Turbo Models ONLY
Fuel Pump - GTO/3000GT Non Turbo Models ONLY

Fuel Pump - GTO/3000GT Non Turbo Models ONLY

This is the Fuel Pump ONLY
Does Not Include all the housing and sender parts.
See picture for Contents

Replaces the Pump in 
Mitsubishi Part Numbers
MB698857 (MB678806 is on the assembly cover)

Price£84.00
-
+
Knock Sensor - Mitsubishi GTO/3000GT Z15A Z16A
1 of 3
Knock Sensor - Mitsubishi GTO/3000GT Z15A Z16A

Knock Sensor - Mitsubishi GTO/3000GT Z15A Z16A

Quality USA Aftermarket Part at a reasonable price.

Mitsubishi Part Number
MD159216

Price£90.00
-
+
Standard Big End Shells/Bearings - Mitsubishi GTO/3000GT Z15A/Z16A
Standard Big End Shells/Bearings - Mitsubishi GTO/3000GT Z15A/Z16A

Standard Big End Shells/Bearings - Mitsubishi GTO/3000GT Z15A/Z16A

Supplied as a complete set of 6 Pairs of Bearings
which is all you need to replace all the big end shells
in a 6G72 Engine.

These are Standard Size Genuine Mitsubishi Bearings
We DO keep these in stock

Mitsubishi Part Number
MD178485

 

Price£96.00
-
+
« Previous1234Next »
Products
    • Mitsubishi Airtrek/Outlander
    • Mitsubishi Colt
    • Mitsubishi FTO Parts
    • Mitsubishi GTO/3000GT Parts
    • Mitsubishi Lancer EVO Parts
    • Mitsubishi Lancer GSR 1.8 4WD Turbo Parts
    • Mitsubishi Legnum/Galant VR4 EC5A EC5W Parts
    • Apex Suspension
    • Bilstein Suspension Products
    • KYB - Kayaba Suspension
    • TEIN Suspension Products
    • Superflex - Suspension Bushes
    • Wiper Blades
    • Comma Oils & Fluids
    • Pay Your Bill
    • V-M Auto Sport Parts
    • BARGAIN BASEMENT
STORE INFORMATION
  • Shipping FAQ's
  • Terms and Conditions
  • Privacy Policy
  • Returns Policy
  • Order Status
Misc
  • Contact Us
  • About Us
  • Sitemap
PAYMENTS
We Accept....
payments by paypal
© 2013 - 2026 Viamoto - All Rights Reserved
Designed By Bettapages